Types of Piping Drawings
The main purpose of a piping drawing is to communicate fabrication and construction requirements clearly in a simple and easy. Piping drawings are basically schematic representations that define functional relationships in a piping or pipeline system. All these piping diagrams are prepared in such a manner that even non-technical professionals can easily understand. Piping drawings provide guidelines for to design and construction activities of piping items. In this article, we will explore the piping drawing basics for Engineering companies.
Types of Piping Drawings
For designing processes or power piping, mostly five types of piping drawings are developed. These drawings are developed from the schematics, basic design basis, and specifications for process piping.
These various types of piping drawings in engineering organizations are:
- Piping Plan Drawings
- Process Flow Diagram
- Piping and Instrumentation Diagram
- Plot Plan Layout Drawing, and
- Piping Isometric Drawing
Piping Plan Drawings/General Arrangement Drawings (GAD)
The piping plan or general arrangement drawings (Fig. 1) show all major equipment, its north/south and east/west orientation, and all piping leading to and from equipment are developed by piping designers. All Main piping items (valves, fittings, etc), instrumentation, access ladders, and platforms are shown.
The GA usually shows a plan (top) view with elevations (side) and sectional drawings with piping dimensions and details including line numbers, size, specification, the direction of flow, etc. to help the piping designers to extract all necessary information for isometric or fabrication drawing preparation.
General arrangement drawings are produced for specific mechanical equipment as well which presents major dimensions in two-dimensional views. All nozzles, supporting details, etc. are indicated.

Fig. 1: Sample Piping GA Drawing
A piping plan drawing provides the following necessary information:
- Pipe routing, length, and coordinates.
- Spacing or centreline distance between one pipe to the other line.
- Correct positioning of the piping assembly on the pipe rack.
- Type of pipe supports required in the piping and pipeline systems.
- Instrument connection to the piping.
- Equipment connection.
Process Flow Diagrams (PFD)
A PFD or Process Flow Diagram (Fig. 2) is an un-scaled drawing or schematic which describes the process of transferring fluid inside the piping. It will:
- state the fluid material that is conveyed by the piping.
- specify the rates of flow.
- list the equipment required for the plant
- and provide basic line lists parameters like pressure or temperature.
- equipment capacity and basic operating information.
- all critical valves including control valves.
A process flow diagram explains relationships between major equipment of a plant and informs the fluid flow direction and connectivity between various equipment through the piping system. PFD is important to easily understand any process, provide quality control, and increase efficiency.
The pipe sizes, pipe class, instrument tags, safety valves, isometric number, type of valves, etc. are not determined yet. The data from PFD are then transferred to P&ID or PEFS.

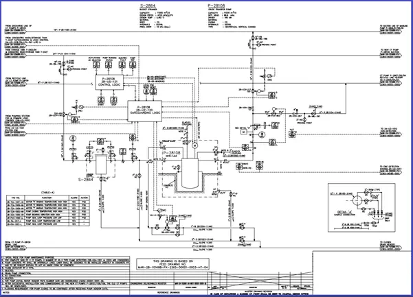
Piping & Instrumentation Diagram (P&ID)
Also known as Process Engineering Flow Scheme or PEFS. The P&ID (Fig. 3) is similar to PFD but more detailed. It is a single-line schematic drawing that includes all equipment, instruments and controls, major valves, and line sizes with pipe specifications. It is the first important document that controls the activity of all other related engineering groups. P&ID s serve as a master document and It contains all the data necessary for various other design groups to proceed to the next steps of design and produce their deliverables.

Plot Plan Layout
A plot plan (Fig. 4) or site plan is produced by the piping designer which shows a schematic of the whole site with boundaries, roads, buildings, plant areas, equipment layouts, utility runs, and other constructions of the existing project, etc. at a properly defined scale. So it gives an overview of the entire plant. This allows the piping engineer to arrange equipment to optimize the design to reduce cost.

Plot plant as a type of piping drawing is drawn in a to-the-scale drawing. The main purpose behind a plot plan layout drawing is to find the exact area available and how those spaces are used for piping, structure, and equipment positioning. A Plot plan provides the following information:
- Total area details of the process plant
- The exact location of equipment, buildings, roads, etc.
- The total number of equipment to be erected in the plot.
- Length of a pipe rack.
- Area of each individual unit.
- Battery limit details.
Piping Isometric Drawing
Piping Isometric drawings (Fig. 5) represent the pipe routing with proper dimensions including all piping items and equipment. They are not to scale, single-line diagrams with symbols for pipe components, weld points, and supports. Isometric drawings are used:
- By fabricator to fabricate the line.
- By piping material group for purchasing materials
- By the Construction, the team to erect the piping items on the site following proper routing.
All the above drawings are very important project documents and must be prepared with utmost thought and care to reduce the amount of rework at a later stage.

Prakash K Menon