user Prakash K Menon
15th Jul, 2023 10:29 PM
Piping Design and Layout

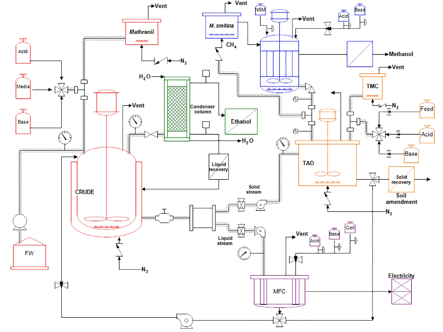
What is a P&ID Drawing | P&ID Symbols | How to Read P & ID Drawings

The full form of P&ID is Process and Instrumentation Diagram. This is an engineering document developed by Process Engineer that shows the piping and other related items for process flow. A P&ID provides a detailed graphical representation of the actual process system that includes the piping, equipment, valves, instrumentation, and other process components in the system. All components are represented using various P&ID symbols.


The graphical representation in a P&ID drawing establishes the functional relationship of piping, instrumentation, and mechanical equipment. P&IDs are one of the most important documents for any project and are crucial in all stages of process system development and operation. This is the most extensively used engineering document and is used by all engineering disciplines like Process, piping, mechanical, civil, HVAC, electrical, and instrumentation.

What is P&ID used for?

A P&ID (Also known as PEFS, Process Engineering Flow Scheme) is a fundamental engineering document that serves various purposes as mentioned below.

·        P&IDs Provide key piping and instrumentation items along with their proper arrangement.

·        It serves as a basic document for operation, control, and shutdown schemes.

·        The piping and Instrumentation diagram provides a basis for maintenance and modification works.

·        It gives the regulatory and plant safety requirement.

·        A P&ID drawing serves as a guide for start-up and operational data.

·        P&IDs are used to develop guidelines and standards for facility operation

·        It is the basic training document to explain the process details to operation guys, field engineers, and maintenance professionals. The P&ID drawings help them to track the interconnection between the piping and instrumentation and equipment.

·        A P&ID provides the design and construction sequence for the plants for systematic planning of activities.

·        They serve as a basis for studying different mechanical and chemical steps to find the root cause if something goes wrong.

·        It also provides basic information for initial project cost estimation.

·        An important document for HAZOP, Model reviewProcess Safety Management, etc is the process and instrumentation diagram.

·        Finally, the P&ID drawing provides a common language for discussing plant operations.

Limitations of P&ID

P&IDs being graphical schematic process representations have some limitations like

·        They are not on a scale, similar to real models.

·        They are not standardized documents so vary from company to company.

What should a P&ID include?

There is no exact code or standard that dictates what exactly should be included in the P&ID drawing document. That is the reason P&IDs from different organizations vary slightly. Broadly, all P&IDs normally include the following:

·        All Mechanical equipment with equipment numbers (Tags) and names.

·        All valves with proper identification.

·        Instrumentation details with designations.

·        piping with line numbers, sizes, material specs, and other details.

·        Fluid Flow directions.

·        Miscellaneous items like drains, vents, special fittings, reducers, sampling lines, expansion joints, flexible hose connections, increases, and swaggers.

·        Piping and equipment interfaces with scope demarcation, and class changes.

·        Permanent start-up and flush lines.

·        References for Interconnections.

·        Interlocks, Control inputs, and outputs.

·        Annunciation inputs

·        A physical sequence of the piping items and equipment.

·        Equipment rating or capacity; sometimes short design and dimensional details.

·        Interfaces with vendors and contractors with scope.

·        Computer control system input.

·        Seismic category

·        Quality level

·        Details like equipment operating, standby, normally no flow, etc are included in some P&IDs.

·        Notes related to two-phase flow, special pipe length requirements, etc.

·        Piping slope requirements, Piping Insulation requirements.

Details excluded in a P&ID

The in-depth details are not included in the P&IDs. Various supporting documents are prepared for the detailed design and description of those items. Normally the following details are not included in a P&ID:

·        Process Flow Diagram

·        Pipe Route and length

·        Elbow, tees, and similar standard fitting details.

·        Pipe Support and Structural Details

·        Pressure temperature and flow data.

·        Manual switches and indicating lights

·        Extensive explanatory notes

·        Control relays

·        Instrument root valves

·        Primary instrument valves and tubing

·        Equipment rating or capacities

·        Equipment locations

 



Share This Article

Comments

Leave a comment

Blog categories

Keywords